
   Калориферы применяются в системах кондиционирования, вентиляции и отопления, с температурой теплоносителя не более 180ºС и давлением не более 1,2 МПа.
Калориферы изготовляются из углеродистых сталей обыкновенного качества, теплоотдающие элементы изготовляются из стальной трубы 16х2 (22х2) и алюминиевого накатного оребрения номинальным диаметром 39(43) мм.
В качестве теплоносителя используется сухой насыщенный пар.
К системе теплоносителя они могут присоединяться как при помощи сварки, так и с помощью фланцев.
Калориферы КП-Ск могут использоваться в качестве теплоутилизаторов с промежуточным теплоносителем.
Варианты исполнения:
 Общего назначения из углеродистой стали.
 Коррозионностойкие из нержавеющей стали (К).
Условия эксплуатации:
Температура окружающей среды от минус 40ºС до плюс 40ºС. Воздух должен быть с предельно-допустимым содержанием химически агрессивных веществ по ГОСТ 12.1.005-88 с запыленностью не более 0,5 мг/м3 и не содержать липких веществ и волокнистых материалов. Калориферы предназначены для эксплуатации в условиях умеренного и холодного климата, категории размещения 2 и 3. Калориферы не должны устанавливаться на объекты, создающие внешнюю вибрацию со среднеквадратическим значением более 2мм/с. В зимнее время пуск в работу, остановка должны осуществляться со скоростью подъема, понижения температуры не более 30ºС в час. Не допускается работа воздухонагревателя на пролётном паре.
 
 
Теплотехнические характеристики,указанные в таблице приведены для режима:
Температура воздуха на входе, ºC ................................................ -20
Массовая скорость воздуха в набегающем потоке, кг/(см3*c ....... 3,6
Давление пара, МПа....................................................................... 1,2
 
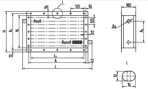
| Индекс изделия | Присоединительные размеры, мм | Производительность | Площадь поверхности обмена, М2 | Масса, кг | 
| H | H1 | L | L1 | A | A1 | A2 | Ду | По воздуху (М3/Ч) | По теплу (кВт) | 
| КП-Ск3-1-02 У3 | 450 | 378 | 689 | 530 | 578 | 426 | 305 | 32 | 2000 | 37,0 | 10,2 | 28 | 
| КП-Ск3-2-02 У3 | 450 | 378 | 814 | 665 | 703 | 426 | 305 | 32 | 2500 | 47,4 | 12,6 | 32 | 
| КП-Ск3-3-02 У3 | 450 | 378 | 939 | 780 | 828 | 426 | 305 | 32 | 3150 | 60,0 | 15,0 | 35 | 
| КП-Ск3-4-02 У3 | 450 | 378 | 1064 | 905 | 953 | 426 | 305 | 32 | 4000 | 75,4 | 17,4 | 40 | 
| КП-Ск3-5-02 У3 | 450 | 378 | 1314 | 1155 | 1203 | 426 | 305 | 32 | 5000 | 98,4 | 22,1 | 52 | 
| КП-Ск3-6-02 У3 | 575 | 503 | 689 | 530 | 578 | 551 | 430 | 32 | 2500 | 59,6 | 13,3 | 38 | 
| КП-Ск3-7-02 У3 | 575 | 503 | 814 | 655 | 703 | 551 | 430 | 32 | 3150 | 73,6 | 16,3 | 44 | 
| КП-Ск3-8-02 У3 | 575 | 503 | 939 | 780 | 828 | 551 | 430 | 32 | 4000 | 90,0 | 19,4 | 50 | 
| КП-Ск3-9-02 У3 | 575 | 503 | 1064 | 905 | 953 | 551 | 430 | 32 | 5000 | 107,9 | 24,5 | 56 | 
| КП-Ск3-10-02 У3 | 575 | 503 | 1314 | 1155 | 1203 | 551 | 430 | 32 | 6300 | 134,9 | 28,6 | 68 | 
| КП-Ск3-11-02 У3 | 1075 | 1003 | 1798 | 1655 | 1703 | 1051 | 912 | 50 | 16000 | 358,6 | 83,1 | 176 | 
| КП-Ск3-12-02 У3 | 1575 | 1503 | 1798 | 1655 | 1703 | 1551 | 1392 | 50 | 25000 | 552,3 | 125,3 | 259 | 
| КП-Ск4-1-02 У3 | 450 | 378 | 689 | 530 | 578 | 426 | 305 | 32 | 2000 | 43,4 | 13,4 | 33 | 
| КП-Ск4-2-02 У3 | 450 | 378 | 814 | 665 | 703 | 426 | 305 | 32 | 2500 | 58,5 | 17,5 | 38 | 
| КП-Ск4-3-02 У3 | 450 | 378 | 939 | 780 | 828 | 426 | 305 | 32 | 3150 | 70,4 | 19,6 | 43 | 
| КП-Ск4-4-02 У3 | 450 | 378 | 1064 | 905 | 953 | 426 | 305 | 32 | 4000 | 88,7 | 22,7 | 48 | 
| КП-Ск4-5-02 У3 | 450 | 378 | 1314 | 1155 | 1203 | 426 | 305 | 32 | 5000 | 115,2 | 29,0 | 59 | 
| КП-Ск4-6-02 У3 | 575 | 503 | 689 | 530 | 578 | 551 | 430 | 32 | 2500 | 68,1 | 17,4 | 45 | 
| КП-Ск4-7-02 У3 | 575 | 503 | 814 | 655 | 703 | 551 | 430 | 32 | 3150 | 84,7 | 21,5 | 53 | 
| КП-Ск4-8-02 У3 | 575 | 503 | 939 | 780 | 828 | 551 | 430 | 32 | 4000 | 105,4 | 25,5 | 61 | 
| КП-Ск4-9-02 У3 | 575 | 503 | 1064 | 905 | 953 | 551 | 430 | 32 | 5000 | 126,5 | 29,6 | 68 | 
| КП-Ск4-10-02 У3 | 575 | 503 | 1314 | 1155 | 1203 | 551 | 430 | 32 | 6300 | 158,9 | 37,6 | 85 | 
| КП-Ск4-11-02 У3 | 1075 | 1003 | 1798 | 1655 | 1703 | 1051 | 912 | 50 | 16000 | 424,2 | 110,0 | 223 | 
| КП-Ск4-12-02 У3 | 1575 | 1503 | 1798 | 1655 | 1703 | 1551 | 1392 | 50 | 25000 | 656,4 | 166,2 | 331 
 |